Skip to main content

Your quote cart is empty!

Product Code: CG-029
Attachments:
- CG-029 MODIFICATION.pdf
Technical Datasheet: Protected Link

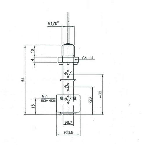
CG-029   Water Level Sensor St. Steel

 

Integral to process control, the water level sensor is used to mark a preset water level condition/heights. This sensor signals a low-level condition by means of a magnetic float that moves with the liquid surface. It is a simple, low-maintenance design.

EVO 2 A Ref.

 

EVO 3 ELF Ref. L1

EVO 3 EDLF Ref. L1

 

EVO 5 BP Ref. L1

Easy to Plate EVO 5 BPD Ref. L1

Easy to Plate EVO 5 BPI Ref. L1

Suitable for the following equipment models:
CLASSIC 3 P
CLASSIC 4 P
EASY TO PLATE EVO 3 IPD
EASY TO PLATE EVO 3 IPI
EASY TO PLATE EVO 4 BPD
EASY TO PLATE EVO 4 BPI
EASY TO PLATE EVO 4 IPD
EASY TO PLATE EVO 4 IPI
EASY TO PLATE EVO 5 BPD
EASY TO PLATE EVO 5 BPI
EASY TO PLATE EVO 5 IPD
EASY TO PLATE EVO 5 IPI
EVO 2 A
EVO 3 A
EVO 3 EDLF
EVO 3 ELF
EVO 3 IP
EVO 4 BP
EVO 4 E
EVO 4 EDLF
EVO 4 ELF
EVO 4 IP
EVO 5 BP
EVO 5 E
EVO 5 ELF
EVO 5 IP
Spare Part Type
Electrical Component
Hydraulic Component
Spare Part Group
Sensor
Stock Type
Standard Stock