Product Code:
CG-102
Technical Datasheet:
Protected Link
CG-102 Current Switch
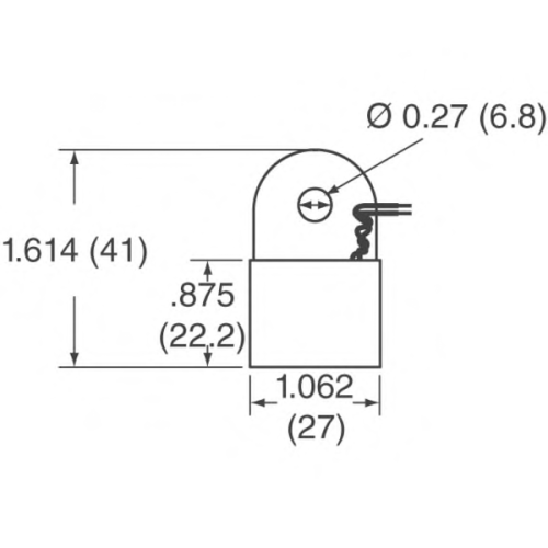
Image shown is a representation only. In case of need feel free to contact Your Vianord Technical Support Team.
General Specs
|
Series
|
CR9300
|
|
Product Status
|
Active
|
|
For Measuring
|
AC
|
|
Sensor Type
|
Current Switch
|
|
Current - Sensing
|
100A
|
|
Number of Channels
|
1
|
|
Output
|
PNP
|
|
Frequency
|
50Hz ~ 400kHz
|
|
Voltage - Supply
|
Self Powered
|
|
Response Time
|
100ms (On), 250ms (Off)
|
|
Current - Supply (Max)
|
-
|
|
Operating Temperature
|
-30°C ~ 60°C
|
|
Polarization
|
Bidirectional
|
810 Ref. CS1-CS2
812 Ref. CS1-CS2
| Spare Part Type | |
|---|---|
| Hydraulic Component | |
| Spare Part Group | |
| Sensor | |
| Stock Type | |
| Standard Stock | |